иное
Приставка ГКЧ до осцилографа
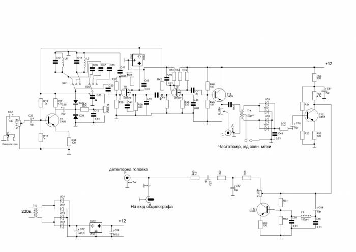
864Приставка ГКЧ до осцилографа для налаштування кварцових фільтрів. Три диапазони: 1- 4-6 мГц, 2-7-9 мГц, 3 - 10-12 мГц. Ширина качання 4-10 мГц. Експлуатувався з осцилографом С1-55. Вихід на частотомір, можливе підключення стороньої мітки, регулювання ширини мітки.В комплекті з детекторним шнуром.
Вартість 400 грн.
тел. 0983961130, Віктор

Вартість 400 грн.
тел. 0983961130, Віктор


комментарии: 0
Для того чтоб оставлять комментарии, вам нужно зарегистрироваться и/или войти под своим паролем

