иное
Ремонт та вiдновлення. Найпоширенiшi несправностi трансвертера (доповнено)
 698
 698Дополнительная информация: raxp2.blogspot.com (по запрошенню)
Всі питання на пошту [email protected]
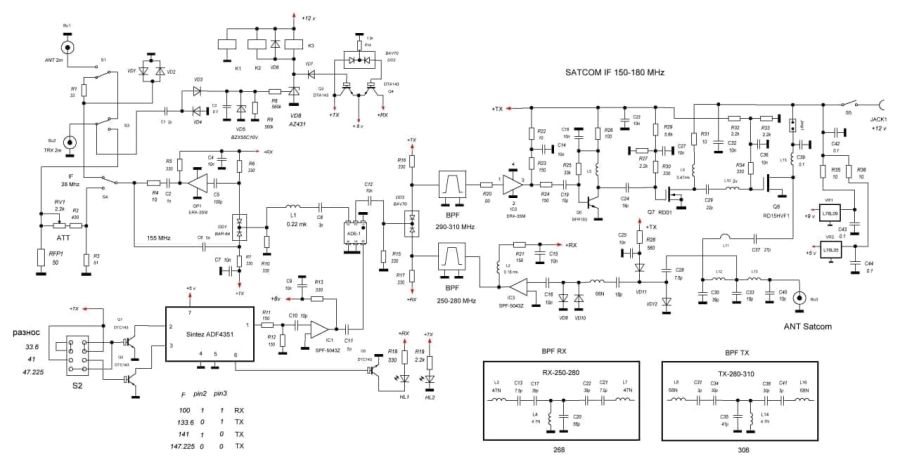
1. Модуль ERA-3SM (OP1). Пов'язано з використанням трансвертера спільно зі станціями, що іноді мають кидок потужності при включенні, незважаючи на задану мінімальну. Наприклад, Icom. При цьому штатного атенюатора трансвертера не вистачає. Характерна ознака - завищена чи занижена напруга на виході ERA. Робоче не більше 3-3.2В.
2. LNA SPF-5043Z (IC3). Незважаючи на гарний захист по входу p-i-n діодами, амплітудним обмежувачем на зустрічно-паралельних діодах і послідовним контуром на частоту Rx (ріже Tx), трапляються. Ознаки несправностi як в п.1.
3. Несправність попереднього підсилювача RD01 (Q7). Гріється штатно відчутно.
4. RD15HVF1 (Q6). Причина - перегрів. Іноді користувачі трансвертера намагаються розкачати потужність транзистора, що й так працює на межі, і завищують напругу зміщення. Що зрештою теж призводить до виходу з ладу.
5. Банальні тріщіни в смд або непропай
p.s.: блокувальних ємностей на живлення синтеза пожалкували, не говорячи за спури.
Все про антени, MESH мережi на Lora, РЕБ та РЕР



    
            2. LNA SPF-5043Z (IC3). Незважаючи на гарний захист по входу p-i-n діодами, амплітудним обмежувачем на зустрічно-паралельних діодах і послідовним контуром на частоту Rx (ріже Tx), трапляються. Ознаки несправностi як в п.1.
3. Несправність попереднього підсилювача RD01 (Q7). Гріється штатно відчутно.
4. RD15HVF1 (Q6). Причина - перегрів. Іноді користувачі трансвертера намагаються розкачати потужність транзистора, що й так працює на межі, і завищують напругу зміщення. Що зрештою теж призводить до виходу з ладу.
5. Банальні тріщіни в смд або непропай
p.s.: блокувальних ємностей на живлення синтеза пожалкували, не говорячи за спури.
Все про антени, MESH мережi на Lora, РЕБ та РЕР





 
  
  
 
    