продам
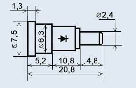
Д603ВП

Дополнительная информация: Viber/Whats App/Ph: +38(063)1442969 м.Київ , E-mail: [email protected]
Працюють в детекторах діапазон 60-6см.
В наявності 11 шт


В наявності 11 шт



комментарии: 0
Для того чтоб оставлять комментарии, вам нужно зарегистрироваться и/или войти под своим паролем