продам
Различные шаговые двигатели - советские, болгарские, японские.
88Дополнительная информация: тел. viber Oбб-2Зб-2б-85, О98-7О2-18-2б У самого Черного моря
Различные шаговые двигатели - советские, болгарские, японские:
- ПБМГ-200-265 - по 50 грн (№№ 2-6)
- СДХ 1,8/40 - по 65 грн (№ 7,8)
- японские по 200 грн (№ 9,10)
- Seagate - 150 грн (№ 11)
- ДШИ-200-1 - 250 грн (№ 12)
- самый маленький №13 - 50 грн
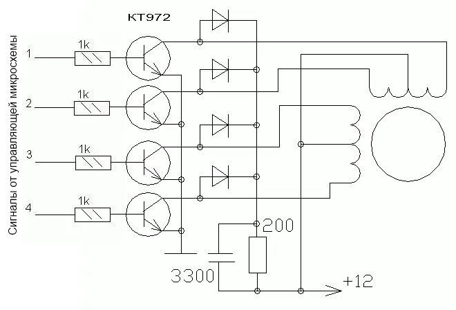
Последнее фото схема управления ПБМГ-200
Отправка только НП.
№№ 1, 7, 8 - проданы.









- ПБМГ-200-265 - по 50 грн (№№ 2-6)
- СДХ 1,8/40 - по 65 грн (№ 7,8)
- японские по 200 грн (№ 9,10)
- Seagate - 150 грн (№ 11)
- ДШИ-200-1 - 250 грн (№ 12)
- самый маленький №13 - 50 грн
Последнее фото схема управления ПБМГ-200
Отправка только НП.
№№ 1, 7, 8 - проданы.










комментарии: 0
Для того чтоб оставлять комментарии, вам нужно зарегистрироваться и/или войти под своим паролем

