продам
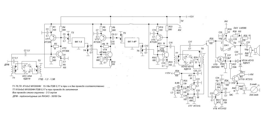
Основна плата МИНИТРАНСИВЕРА.
619Плата + опорный генератор LSB\USB
098-517-27-41
ссылка на видео
https://www.youtube.com/shorts/WU5evN7c6bI




098-517-27-41
ссылка на видео
https://www.youtube.com/shorts/WU5evN7c6bI





Радиосвязь. Доска объявлений. Форум
UR8LV.COM
619



