продам
Две лампы 6П13C
100Дополнительная информация: Винница, тел.096-890-50-29 http://www.mwp.org.ua
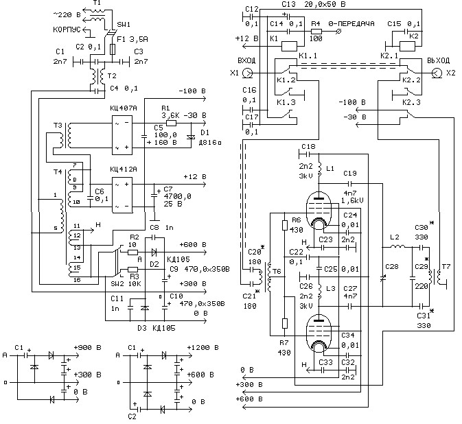
Продам две лампы 6П13C, б\у. Можно применить в КВ УМ с выходной мощностью до 30 вт (60 вт при 2х лампах паралельно). Стоимость 100 грн. за пару. Схема усилителя прилагается. Также есть лампы б/у смотреть по адресу https://mwp.org.ua/lamp.html . Кроме того в наличии есть набор различной комплектации, в том числе и для простых схем для радиолюбительских конструкций (емкости, транзисторы, диоды, мосты, установочные элементы и другое (все новое). Перечень смотреть по адресу http://www.mwp.org.ua/rynok/nelikwidy.html Звонить по телефонам 096-890-50-29 и 050-677-34-27, Валерий.



комментарии: 0
Для того чтоб оставлять комментарии, вам нужно зарегистрироваться и/или войти под своим паролем

