продам: Кому нужен УМ ?
24.03.2026 16:37
ЮрийВладимирович - UY0FF
253
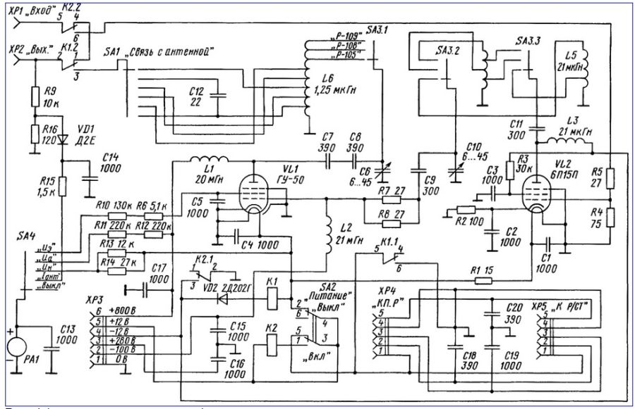
Есть на продаже УМ ! Вдруг у кого-то УМа не хватает... И не просто УМ, а УМ-3. Цена 1000 грн. Подробности на фото. Работоспособность не проверялась к сожалению и имеется демонтаж одного гнезда по питанию. Подробности на фото. Лампы родные с 1979 года в комплекте. Юрий. Телефон для торговли : О-шесть-шесть-I48-пять-пять-09















коментарі: 0 конфіденційно:3
Для того щоб залишати коментарі, вам потрібно зареєструватися та/або увійти під своїм паролем